비접촉 반송기기 NCT > 비접촉 반송기기 NCT 시리즈

본문 바로가기

쇼핑몰 검색

검색

HOME    >   제품정보   >   진공기기ᆞ패드   >   비접촉 반송기기 NCT 시리즈   >   비접촉 반송기기 NCT

비접촉 반송기기 NCT

비접촉 반송기기 NCT 요약정보 및 구매

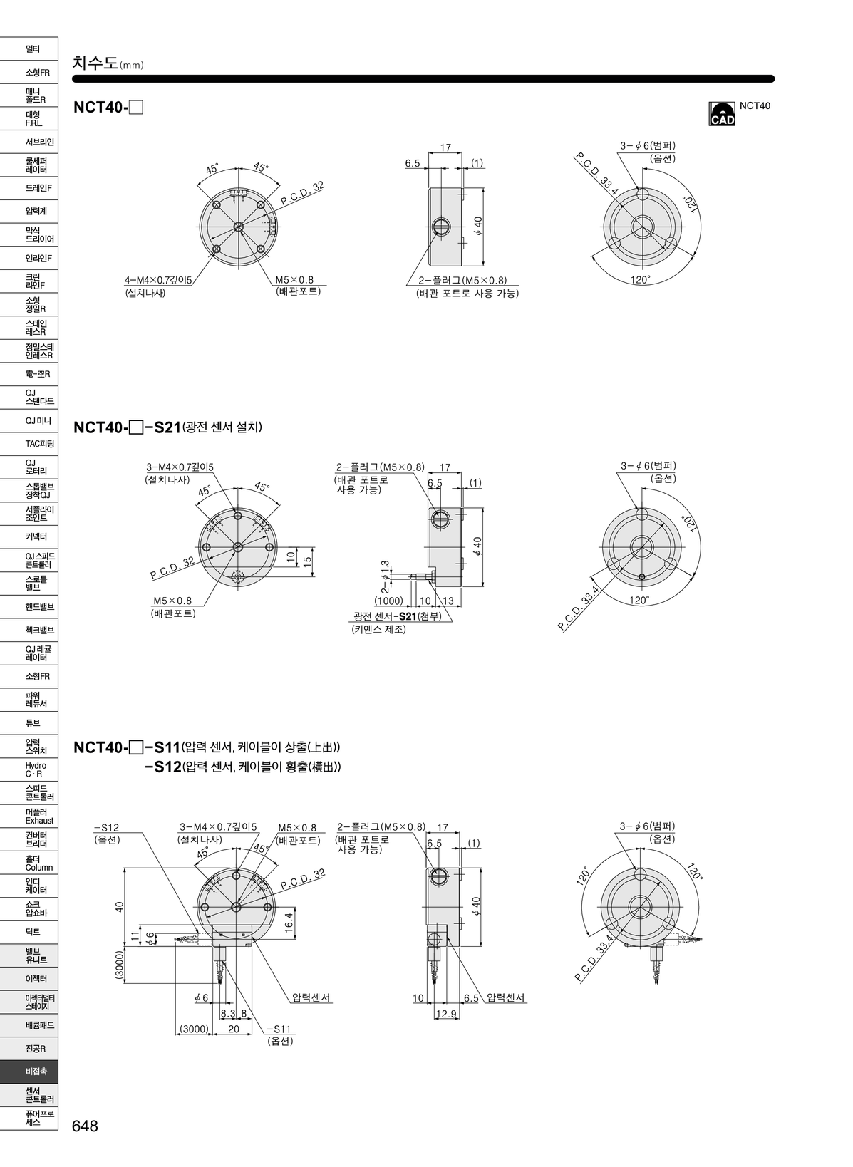
● 비접촉이므로 워크에 패드 흔적이나 상처가 발생하지 않습니다. 통기성이있는 워크, 요철이있는 워크에서도 유지가 가능.

판매가격 0원
배송비결제 주문시 결제

상품의 재고가 부족하여 구매할 수 없습니다.

이 분류에 등록된 다른 상품이 없습니다.

Copyright 2017 KOGANEI CORPORATION All rights reserved.